GaN HEMT器件瞬态热特性测试的4个方法
日期:2026-01-09 作者:上海坤道SimuCAD
GaN HEMT器件(氮化镓高电子迁移率晶体管)因其高功率密度、高频和高效等优势,在射频和功率电子等领域展现出巨大的应用潜力。
为了确保器件的稳定性与可靠性,热测试至关重要。相比于已具备成熟测试方法的传统硅器件,GaN HEMT 由于其独特的电气和结构特性,精准测量与评估热特性成为关键挑战。基于 Simcenter T3STER SI 热瞬态测试技术,本文将详细介绍以下4种的 GaN HEMT 器件的热测试方法。
测试方法一:通过沟道电阻进行加热和测试
测试方法二:通过栅极肖特基二极管进行测试
测试方法三:通过栅极漏电流进行测试
测试方法四:对共源共栅Cascode HEMT器件进行瞬态热测试
热瞬态测试
T3STER SI 的测试方法符合 JESD51-1 标准,基于校准的温度敏感参数(TSP),利用器件自身电压作为温度传感器,对器件施加功率跳变引起热瞬态响应,从而精准测量结温变化,生成瞬态热阻抗曲线,进一步获得结构函数曲线。
.png)
Simcenter T3ster SI 热瞬态测试仪
GaN HEMT器件测试难点
1. 传统用于测试硅器件的电路往往无法用于测试GaN HEMT器件;
2. GaN HEMT器件具有不稳定的阈值电压;使用沟道电阻作为TSP时,具有较长的寄生电瞬态效应;
3. 需要特定于器件的测试方法。
GaN HEMT器件瞬态热测试解决方案
测试方法一 通过沟道电阻进行加热和测试
图1提供了瞬态热测试的示意图,其中加热和测量导电沟道。
.png)
△图1 瞬态热测试的方案,在沟道上加热和测量
该方法的一个优点是所有HEMT类型中都存在沟道。但是,对于Rdson很低的器件来说,需要较高的Isense测试电流,才能实现足够高的Vds电压降,以及通过传统热瞬态测试设备检测到温度诱导变化。此外,在测试设置中,区分真正的温度相关电阻变化与外部接线可能会很麻烦。
时变效应会限制这种测量模式。例如,可移动电荷可以暂时存储在捕获能级,其随后的释放会导致寄生电瞬变,从而扭曲热响应。
测试方法二 通过栅极肖特基二极管进行测试
经典HEMT结构和GIT类型器件变体中的栅极肖特基二极管结构可以更好地用于温度敏感参数。图2显示了测量设置。
.png)
△图2 一种对沟道电阻进行加热、对栅极二极管进行测试,具有连续的栅极电流的测量方案
HEMT器件,尤其是为功率放大器应用而设计的器件,能够在极高的频率下工作,图2所示的电路易受测量线路引起的外部寄生电感和电容的影响。振荡可能造成测量结果误差并损坏器件,为避免任何振荡,建议在实验期间使用示波器监控测量结果,并在必要时使用适当的旁路电容器(Cgs、Cds)和铁氧体磁珠。
最大的负载电流通常受到一定限制,尤其是对于高电压功率放大器HEMT器件。因此,在之前的设置中实现的阶跃功率通常太低,无法充分加热器件,即使在最大额定电流下也是如此。
图3显示了解决这一矛盾的改进设置。Vg电压与加热电流同步在两个预设置的电压电平之间切换。在加热过程中,Vg设定为负值,将栅极拉至适当的负电压,从而产生更薄的沟道和更高的Vds。
.png)
△图3 采用升高的电压进行加热,具有开关的栅极电流的测量方案
在冷却阶段,Vg设定为正电压。二极管D1反向偏置;因此,电压源对栅极-源极电压没有影响。测试电流Isense可以流过栅极二极管。
测试案例分析
在此示例中,我们在一款Wolfspeed型号为CGH40025F的GaN HEMT功率放大器上,采用连续和切换栅极电流进行这类的热瞬态测试。使用Simcenter T3STER SI设备进行测试,并利用Simcenter T3STER Master软件对结构进行显示、分析和后处理。
.png)
△图4 CGH40025F HEMT的测量结果,具有连续和开关栅极电流,使用/不使用热界面材料(TIM)、Zth曲线和结构函数
图4a显示了瞬态热阻抗曲线Zth,即通过施加的加热功率归一化的结瞬态响应。图4b显示了结构函数,即沿着从结到环境的热流路径的热阻和电容二维图。对应于两种测量模式的曲线在两种视图中都拟合得很好,直到热量传播到器件的封装内。由于器件和冷板之间的各种热界面,曲线分离仅发生在外壳表面。
测试方法三 通过栅极漏电流进行测试
随着GaN HEMT器件中栅极结构的进一步发展,新设计提高了阈值电压,并大幅降低了栅极漏电流。
这使得使用栅极二极管特性在恒定电流偏置下进行的热瞬态测试技术变得不那么实用。尽管栅极具有类似二极管的I-V特性,但实际应用需要极低的测试电流,只有几十微安。这相当于源阻抗达到数十千欧姆,与热瞬态测试设备的输入电阻相当。因此,只有部分施加的测量电流流过DUT,因此无法进行恒定电流供电。
.png)
△图5 HEMT测量示意图,其中对导通状态沟道电阻进行加热,并使用栅极漏电流进行温度测量
另外,除了依赖阈值电压外,栅极漏电流可用作温度敏感参数,同时保持恒定的栅极-源极电压偏置。如图5所示,此测量装置通过添加与栅极串联的适当选择的Rsense电阻,将漏电流转换为可检测的电压信号。为了在目标温度范围内实现50至100毫伏(mV)的电压降,正确调整Rsense电阻的大小非常重要。可以使用较低的电阻值来改善噪声特性,并辅以额外的信号放大器。
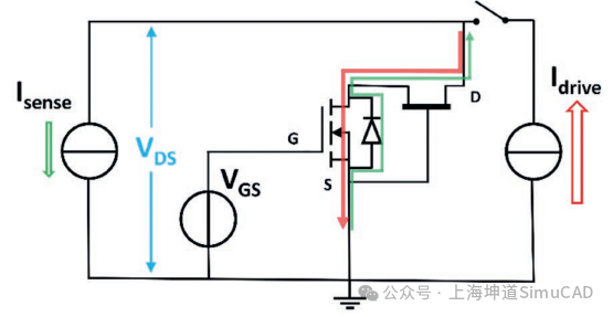
测试方法四 对共源共栅Cascode HEMT器件进行瞬态热测试
在共源共栅Cascode HEMT器件中,尽管作为单个晶体管运行,但两个采用不同半导体材料的芯片组装在一个共同的封装中。每个芯片的功耗、热阻和结温也各不相同。
无论其物理实现如何,器件通常无法直接访问GaN HEMT源极和MOSFET漏极之间的连接点。这种连接对于直接测量每个芯片的热瞬变是必要的。
由于直接集成,测量堆叠芯片结构通常很简单。MOSFET芯片安装在GaN器件的顶部,两者之间的热阻较低;因此,MOSFET温度贴近HEMT温度。
.png)
△图6一种堆叠芯片共源共栅Cascode HEMT器件瞬态热测试示意图
因此,测量MOSFET器件的温度也可以近似地估算出HEMT芯片的温度。图6显示了一种可能的测量设置。更具挑战性的配置是将两个芯片并排安装。虽然两个芯片的散热可能会根据冷却条件(外壳到环境的热阻)重叠,但热耦合要弱得多。然而,表征这些器件需要复杂的热测试方法和对器件参数的额外假设。
结论
几十年来,硅一直主导着半导体行业。然而,随着对电力电子器件需求的不断发展,市场更青睐具备更高效率、更紧凑并在极端条件下体现高可靠性的产品,GaN等宽禁带材料成为了前景广阔的选择。然而,由于GaN HEMT的独特特性,合理调整传统测试和表征方法很关键。
正确的TSP选择可能因HEMT的结构而异。最佳方法目前尚未确定,它可能取决于特定的器件特性,例如栅极特性或Rdson值。每个TSP都有其优点、缺点和最佳使用场景。因此,请根据具体应用选择最合适的解决方案。
Simcenter T3STER SI热瞬态测试仪
Simcenter T3STER SI 通过非破坏性地测试封装好的半导体器件的电压随着时间的瞬态变化,快速地获得准确的,重复性高的结温热阻数据以及结构内部信息。Simcenter T3STER SI 支持对器件进行在线测试,结壳热阻测试等。测试结果可以生成热阻热容模型供热仿真软件使用 同时也可以用于校准详细的仿真模型。
了解更多:T3STER SI概述、应用范围、测试原理、应用案例
Simcenter Power Tester 集成功率循环&热瞬态测试的自动化测试系统
Simcenter POWERTESTER是一台集成了K系数测试、热阻测试、结构函数分析以及功率循环测试功能的自动化测试系统,测试方法满足AQG-324、IEC60747以及JEDEC JESD51等标准。
与传统设备相比,POWERTESTER支持在功率循环期间,实时监控电学参数,热学参数,并定期使用结 构函数在线原位评估封装结构是否发生老化,无需先进行功率循环,再用其他的设备进行热测试表征。可以快速高效地为新产品研发提供丰富的热学数据和可靠性数据,加上海坤道SimuCAD速产品研发进程。
了解更多:Power Tester _测试仪器_上海坤道信息技术有限公司
关于上海坤道
上海坤道信息技术有限公司成立于2009年,前身为英国Flomerics公司中国代表处,现为西门子工业软件(原Mentor Graphics公司)在中国大陆的授权金牌和专家级(Expert Partner)合作伙伴。一直以来,坤道专注于热仿真和热测试领域,为电子半导体、汽车、航天航空等行业提供Simcenter FloEFD、Flotherm Flexx、Flomaster等流体传热仿真软件解决方案和Simcenter T3STER热阻测试、Simcenter POWERTESTER功率循环测试、SanjSCOPETM 反射率热成像系统等硬件解决方案,具备资深专业、经验丰富的技术团队提供产品销售、项目咨询、硬件定制开发和技术培训等服务。目前,坤道公司已为400多家企业与机构提供热仿真&热测试解决方案和应用实践落地。
欢迎关注 上海坤道 SimuCAD 公众号,我们将为您带来最新产品资讯和专业的解决方案。
.jpg)
联系我们:
电话:021-62157100
邮箱:marketing@simu-cad.com
官网:http://www.simu-cad.com
哔哩哔哩:上海坤道SIMUCAD










沪公网安备 31010602003953号